Specifications
Main Components
It’s important to familiarize yourself with the main components of AX-1 in order to better understand how the machine is built and operates.
Overview of Main Components
A detailed breakdown of the AX-1's key components is provided in the following sections, including their positioning on the machine and their overall purpose.


- Control Center
- Generator
- Bumper/Collision sensor
- Wind sensor
- Tank module
- Mobile data antenna
- Boom
- Spray unit
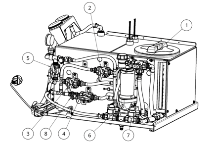
Tank Module
The tank module is the primary unit for managing fluid flow and storing spray liquids. It contains three separate tanks, along with valves, a pump, hoses, and filters. Details are further specified.
Tank Overview
The tank module consists of three separate fluid chambers:

- Spray Tank
- Rinse Water Tank
- Clean Water Tank
Spray Tank
CAUTION: The liquid volume in the tank must never exceed the nominal capacity.
The spray tank has a total volume of 55 L and a usable volume of 52 L. The tank is equipped with two return flows: a low-level flow for normal operation and one connected to a wash nozzle for internal tank cleaning. From the tank basin, there is only one outlet, which serves both for system circulation and tank drainage. The tank is sloped toward the basin to ensure a steady supply of spray mixture even at low remaining volumes during spraying.
Rinse Water Tank
This water tank is used for internal rinsing of the spray system and for diluting the spray mixture. It is located at the base of the tank module and has a total volume of 17 L.
Clean Water Tank
The clean water tank is to be filled with clean water that can be used to rinse off spray residues in case of spills. The tank has a total volume of 15 L and is equipped with a tap (14) on the right side near the generator.
Valves
The machine’s spray agent management system is controlled by eight manual valves located on the tank unit’s control panel.

- Tank selector valve
- Bypass valve - boom
- Wash nozzle valve
- Tank return valve
- Disengagement valve - boom
- Drain valve - system
- Drain valve - tank
- Fixed restrictor valve
Function of each valve:
- Select between the spray tank and the rinse water tank for the pump's inlet.
- Open/close the bypass between the high-pressure side and the tank’s return hoses.
- Open/close the return hose supplying the tank’s wash nozzle.
- Open/close the tank’s standard return hose.
- Open/close the liquid supply to the boom.
- Drain spray liquid from the system.
- Drain spray liquid from the tank.
- Fixed restriction on the tank’s standard return hose.
Valve Positions
The liquid flow in the machine’s spray system is controlled by operating the machine’s manual valves. Different configurations of valve positions enable six different modes for performing normal operations and system rinsing. The diagram below shows the positions of each valve to achieve various functionalities during use.

Normal operation
The pump circulates spray liquid from the main tank, out to the spray unit, and back again. Use this setting during spraying.
Rinse system with clean water
The pump pumps water from the water tank to the nozzle blocks. Return flow goes to the wash nozzle in the main tank. Use this setting to rinse the system (hoses, nozzles, and tank) while also washing the tank.
Rinse tank with clean water
The pump pumps water from the rinse water tank to the wash nozzle. Valve 5 remains closed, while Valve 2 is open to disconnect the loop to the boom. Use this setting for maximum washing efficiency from the wash nozzle in the main tank.
Drain system
The pump pumps spray liquid out through the boom and nozzle blocks before draining it at the drain point. Valve 6 remains open, while return valves 3 and 4 to the spray tank are closed. Use this setting to drain the system after rinsing.
Drain tank
Manual draining of the spray tank for liquid using gravity only, not the pump. Draining occurs at the drain point when Valve 7 is opened. Use this setting for manual draining of spray liquid in the spray tank or to drain remaining liquid that the pump was unable to remove.
Dilute spray agent in the tank
The pump pumps water from the rinse and dilution tank into the spray tank's return flow. Valve 5 and 3 remain closed, while Valve 2 and 4 are open. Use this setting when the concentration of spray agent in the spray tank needs to be diluted.
Rinse system while mixed spray agent is in the tank
The pump pumps water from the rinse and dilution tank to the nozzle blocks. The wastewater is discharged at the drain point. The valve positions are the same as in Drain System, except Valve 1 is in the vertical position. Use this setting to clean the nozzle blocks without emptying the spray tank.

Other Components in the Tank Module

11. Pressure gauge for spray pressure
12. Connection point for measuring equipment
13. Bumper sensor
14. Water tap for clean water (handwashing)
15. Tank lid
16. Suction filter
17. Tank gauge
18. Pump
19. Connection point for measuring equipment

Boom
Spray unit


- Boom mounting bracket
- Connector for nozzle outlet
- Connector for nozzle inlet
- Nozzle inlet filter
- Communication connection
- Power connection
- Nozzle protection plate
- Nozzle block
- Height sensor
- Camera
The spray unit consists of a steel cabinet that amongst others contains a camera, a blitz, a height sensor and a nozzle block. On each side of the nozzle block are hoses for the inlet and outlet of spray liquid, equipped with quick connectors that attach to corresponding parts on the spray boom. The inlet is on the right side, and the outlet is on the left. The top of the unit features mounting brackets for attachment to the boom, along with connection points for power and communication with the control center.
IMPORTANT: The spray units should normally remain mounted on the boom. If removed, they must be handled with great care.
Nozzles
Each spray unit has a nozzle block consisting of two rows with a total of 42 nozzle outlets. Each nozzle outlet operates independently. During operation, droplets of spray liquid are discharged when the machine passes areas identified as weeds. The nozzle blocks are controlled by electronics located inside each spray unit and the machine's control center (see Overview of Main Components).
Droplets of spray liquid may remain on the nozzle modules even after the system has been rinsed following spraying. These droplets may drip, and the operator must avoid spills. Do not touch the nozzle blocks without approved protective equipment (see Safety and Protective Equipment). Never place your head beneath a nozzle block, either before, during or after use.
A defective nozzle block must be replaced. This must be carried out by an authorized technician. For information on service and maintenance, see Spray Unit.
Attachment and Detachment of Spray Unit
Important: Be cautious during the attachment and detachment of the spray unit. Limited space increases the risk of damaging the nozzle block due to collisions with the cross-profile of the boom. Follow the instructions below carefully.
CAUTION: Ensure that hoses are connected to the correct ports. Incorrect connections will significantly reduce the nozzles' precision and may cause spray liquid to hit undesired areas.
1 - The spray unit is inserted at an angle from above into the boom and then rotated until the top surface is horizontal.



Circulation Circuit for Spray Liquid
In the AX-1, the spray liquid circulates in a loop from the tank, out to the spray units mounted on the boom, and back to the tank. This forms the main circuit for the circulation of spray liquid. Changes to this circuit is performed manually using the valves on the tank module. How these valves should be set to achieve different functions is described in Valve Positions sub-chapter in this article.
Generator
The machine is powered by a Honda EU22i gasoline generator. The generator supplies power to the batteries located in the control unit. The generator's load is automatically adjusted according to the power demand of of the robot. This demand is amongst others regulated by the amount of weeds being sprayed at any given time. If the weed density in the field is high, causing the machine to work under heavy load, the generator should be set to high-load mode to provide sufficient power to the machine. For more information, see Starting with Generator Power.

Drive Wheels
Important: The electric motors must not be disconnected from the machine or serviced by anyone other than authorized service technicians.
The two front wheels are powered by individual electric motors, providing sufficient propulsion for the machine. Individual control of each wheel allows the machine to maneuver and rotate around its own central axis. The size of the wheels ensures good ground clearance and low pressure on the surface for gentle operation in the field.
The electric motors are maintenance-free and should only be handled by service technicians.
Wheel Service
Contact your Kilter customer representative for further information regarding wheel service.
National and Regional Regulations for Inspection
The machine is subject to national regulations for periodic inspection of the robot's spraying functionality.
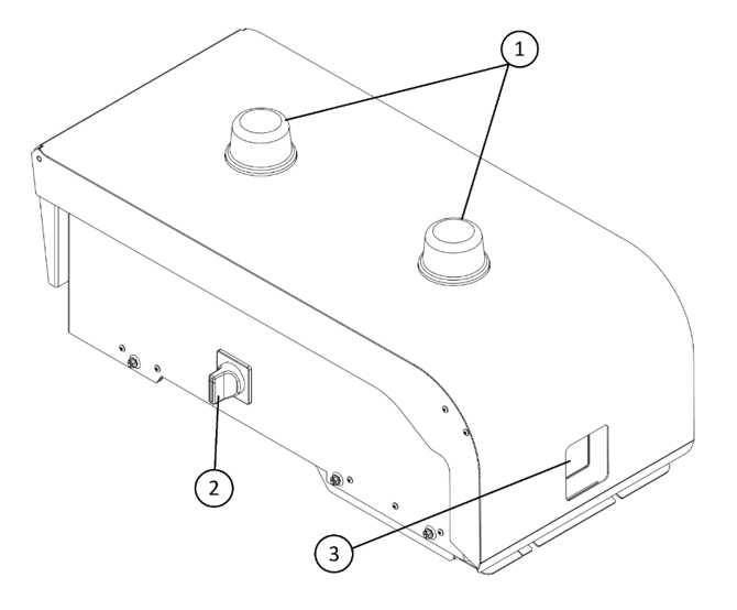
Machine Control Center
Important: This unit must not be operated by the user, except for the external main power switch
The machine has a control center located at the top of the robot. This unit can be considered the machine's "brain," containing electronics and control systems to operate the robot's functions. On top of the cover are two GPS antennas, used for precise positioning during autonomous operation. At the front of the cover is a camera for observing the surroundings in front of the machine. This information is used to position the robot when driving in rows and performing turns.

1. GPS antennas
2. Main power switch
3. Camera
Technical Data
General Machine Data
| Machine Data | Specifications |
|---|---|
| Length | 2.141 m |
| Width | 1.826 m – 2.276 m |
| Height | 1.545 m |
| Spray Width | 1.307 m - 1.572 m |
| Net Weight | 284 kg |
| Total Weight with Full Load | 362 kg |
| Maximum Driving Speed | 0.6 m/s |
| Tanks | |
|---|---|
| Spray Tank | 52 L |
| Rinse and Dilution Tank | 17 L |
| Clean Water Tank | 15 L |
| Other Data | |
|---|---|
| Minimum Charging Circuit | 10 A |
| Wheel Motor Power Output |
| Nozzles | |
|---|---|
| Maximum Number of Spray Units | 6 units |
| Number of Nozzle Outlets per Unit | 42 outlets |
| Nozzle Opening | 1.0 mm |
| Generator | |
|---|---|
| Model | EU22i |
| Continuous Power Output | 1800 W |
| Maximum Power Output | 2200 W |
| Tank Size | 3.6 L |
| *Extra tank Size | 5.0 L |
| Runtime at Max Continuous Load | 3.2 hours |
| Fuel | Gasoline |
Operating Parameters
| Parameter | |
|---|---|
| Operating Pressure Nozzles | 0.95 Bar |
| Maximum System Pressure | 4 Bar |
| Maximum Spraying Speed in Autonomous Driving | 0.5 m/s |
| Working Height of Boom |
98 mm – 443 mm (low boom attachment on lift) 158 mm – 503 mm (high boom attachment on lift) |
| Consumption at 100% Weed Coverage | 27.8 L/daa |
| Tank Capacity, Coverage per Tank at 100% Weed | 1.87 daa |
| Approved Plant Crops | See website |
Noise Level
The machine generates a noise level of LWA = 80.5 dB(A) during operation.
Specific Component Data
Pump
- Type: Shurflo 2066-773-515 24V
| Pressure [Bar] | Flow Rate [L] | Current [A] | Voltage [V] |
|---|---|---|---|
| Open | 13.2 | 2.8 | 24 |
| 0.7 | 12.9 | 4.0 | 24 |
| 1.4 | 12.1 | 4.8 | 24 |
| 2.1 | 8.7 | 5.5 | 24 |
| 2.8 | 6.0 | 5.8 | 24 |
| 3.44 | 2.3 | 6.5 | 24 |

Hoses
The figure below provides an overview of the hoses used in the tank unit. The hoses have a maximum operating pressure of 4 bar at 21°C.

| Hose Numbers | Suction Side Hoses | Pressurized Hoses | Non-Pressurized Hoses | Maximum Pressure Allowed at 21ºC [Bar] |
|---|---|---|---|---|
| 1–4 | x | 4 | ||
| 5–7 | x | 4 | ||
| 8–17 | x | 4 | ||
| 18–22 | x | 4 | ||
| 24–25 | x | 4 | ||
| 26 | x | 4 |
Filters and Tank Strainer
| Filter/Strainer | Location | Mesh Size | Model | Manufacturer |
|---|---|---|---|---|
| Tank Strainer | Spray Tank Filling | 300315 | ARAG | |
| Suction Filter | Pump Inlet | 200 mesh | 309954 | ARAG |
| Inline Filter | Spray Unit Inlet | 250 mesh | LP-6B-PNC-E250 | Pneuline Supply |
| Air Filter Out to Control | Backside of Buteo | G4/EU4 8 mm | Sandler AG | |
| Air Filter Into Control | Under Buteo | SDLW04RR | Xiaomi |